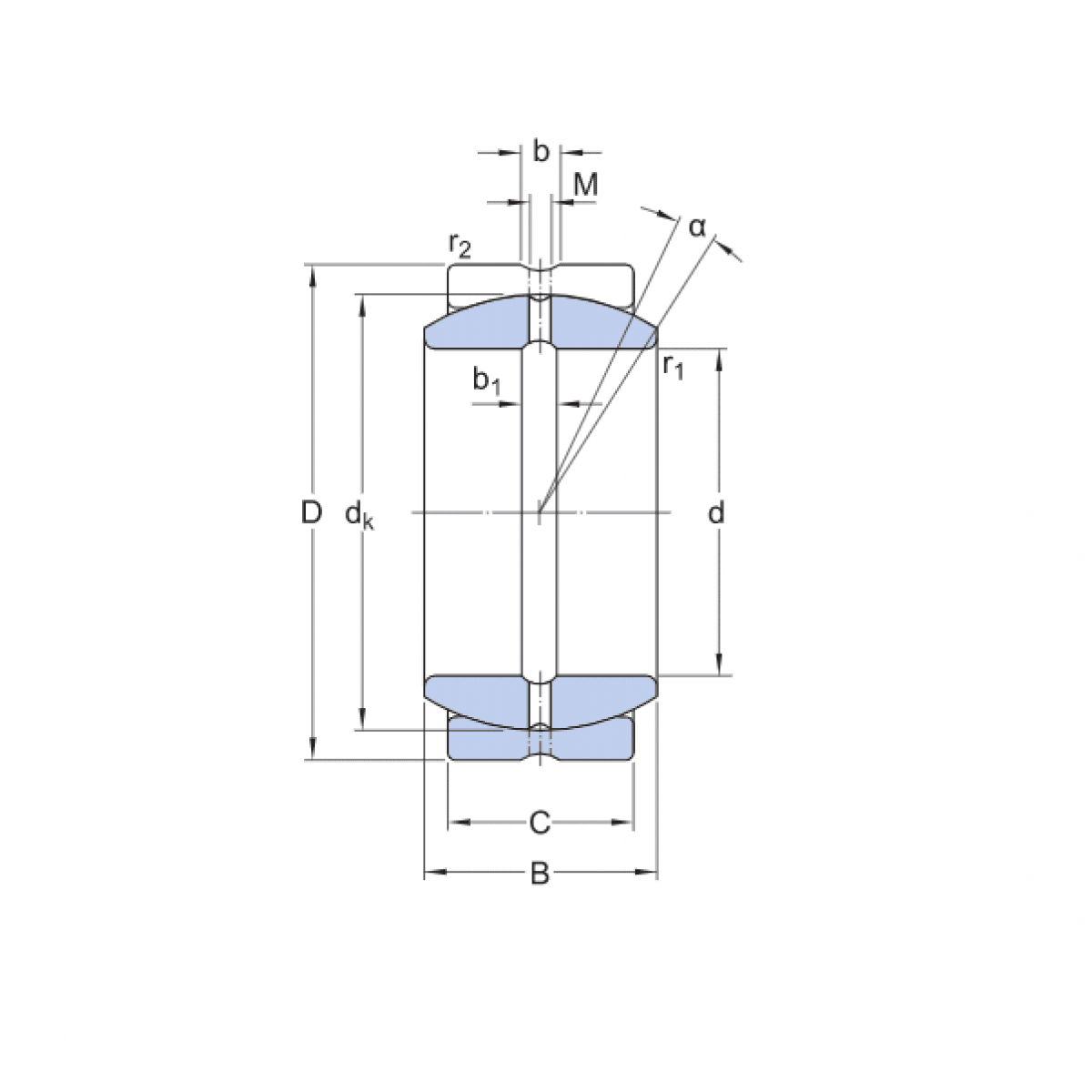
Ložisko GE 035 ES - MTM

Rozmer: 35x55x25 Značka: MTM
Skladom 16 ks na dopyt
+
-
ks