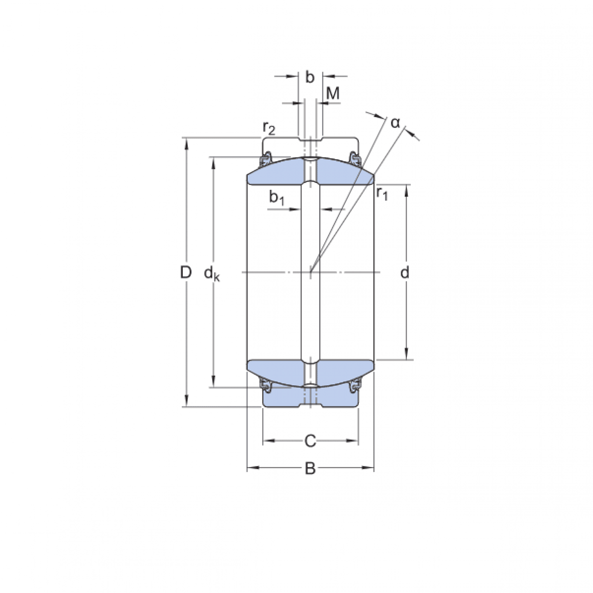
Ložisko GE 045 2RS - KBS

Rozmer: 45x68x32 Značka: KBS, KBC
Externý sklad na dopyt
+
-
ks