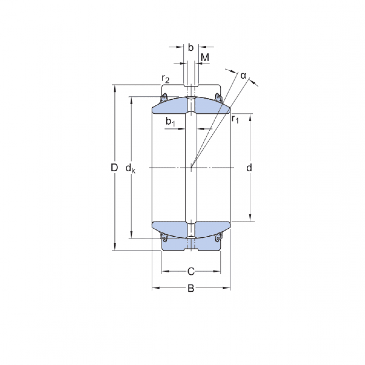
Ložisko GE 045 ES 2RS - CX

Rozmer: 45x68x32 Značka: CX
Skladom 14 ks na dopyt
+
-
ks