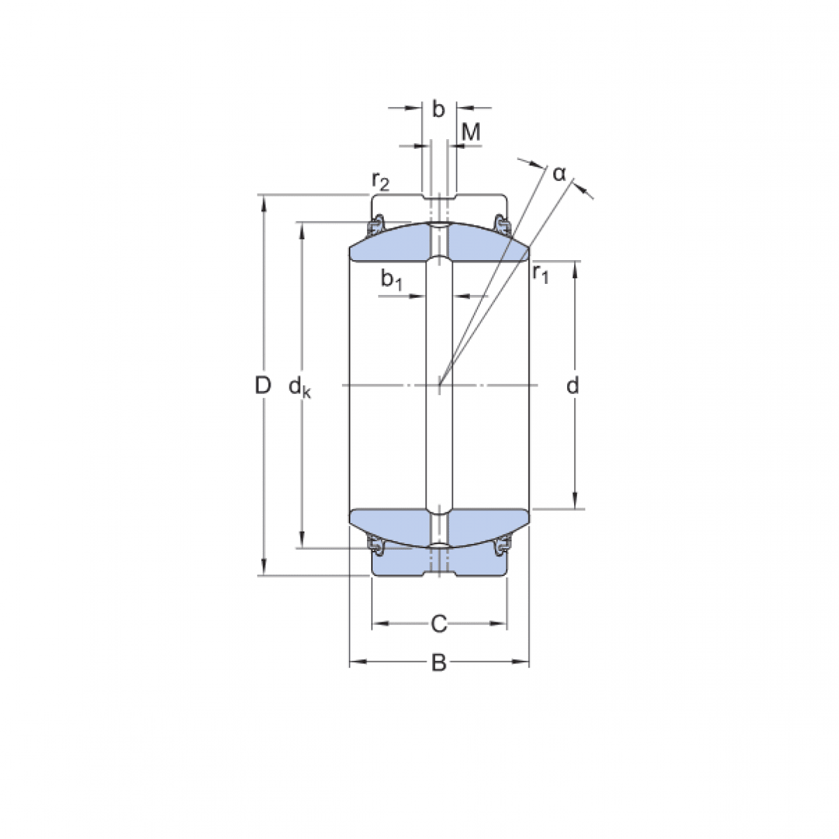
Ložisko GE 045 ES 2RS - MTM

Rozmer: 45x68x32 Značka: MTM
Skladom 13 ks na dopyt
+
-
ks