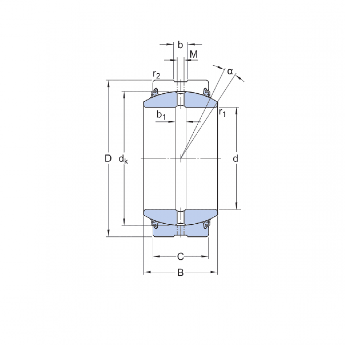
Ložisko GE 060 ES 2RS - KBS

Rozmer: 60x90x44 Značka: KBS, KBC
Externý sklad na dopyt
+
-
ks