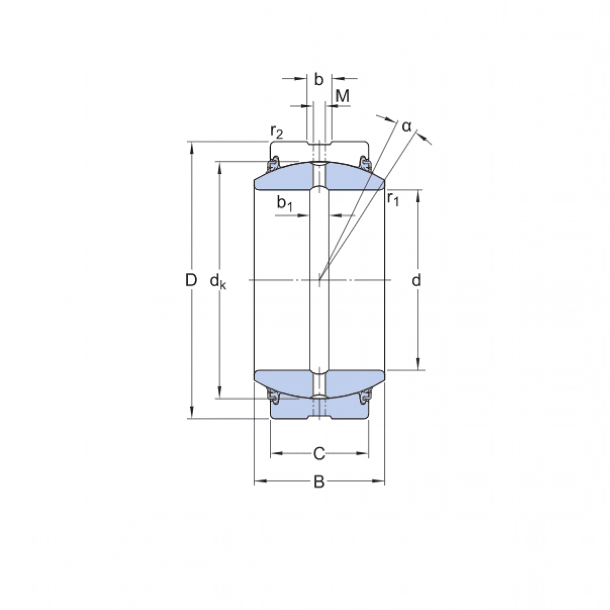
Ložisko GE 080 ES 2RS - KBS

Rozmer: 80x120x55 Značka: KBS, KBC
Externý sklad na dopyt
+
-
ks