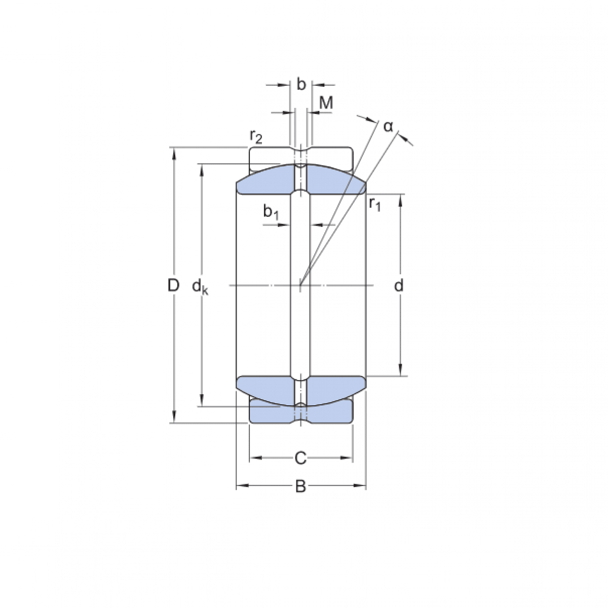
Ložisko GE 100 ES - CX

Rozmer: 100x150x70 Značka: CX
Externý sklad na dopyt
+
-
ks