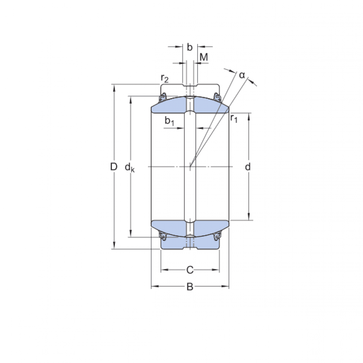
Ložisko GE 120 ES 2RS - KBS

Rozmer: 120x180x85 Značka: KBS, KBC
Externý sklad na dopyt
+
-
ks