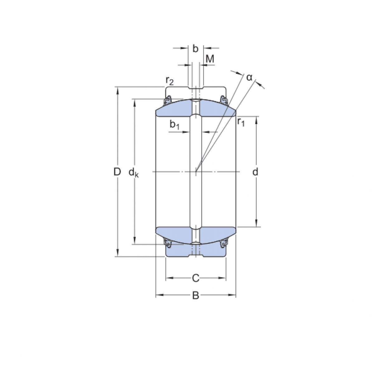
Ložisko GE 140 ES 2RS - MTM

Rozmer: 140x210x90 Značka: MTM
Externý sklad na dopyt
+
-
ks