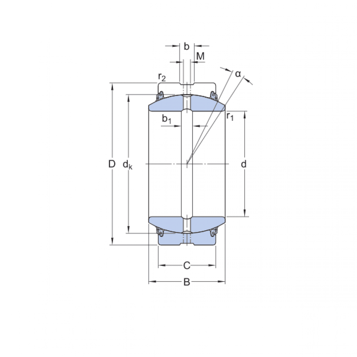
Ložisko GE 35 HO-2RS - INA

Rozmer: 35x55x35 Značka: INA
Externý sklad na dopyt
+
-
ks