Ložisko GEG 035 ES 2RS - KBS

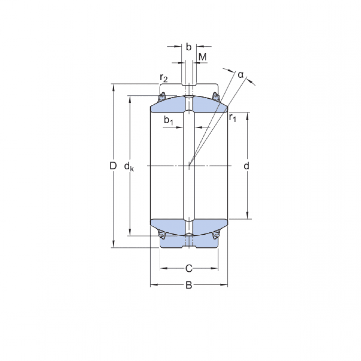
Rozmer: 35x62x35/22 Značka: KBS, KBC
Externý sklad na dopyt
+
-
ks