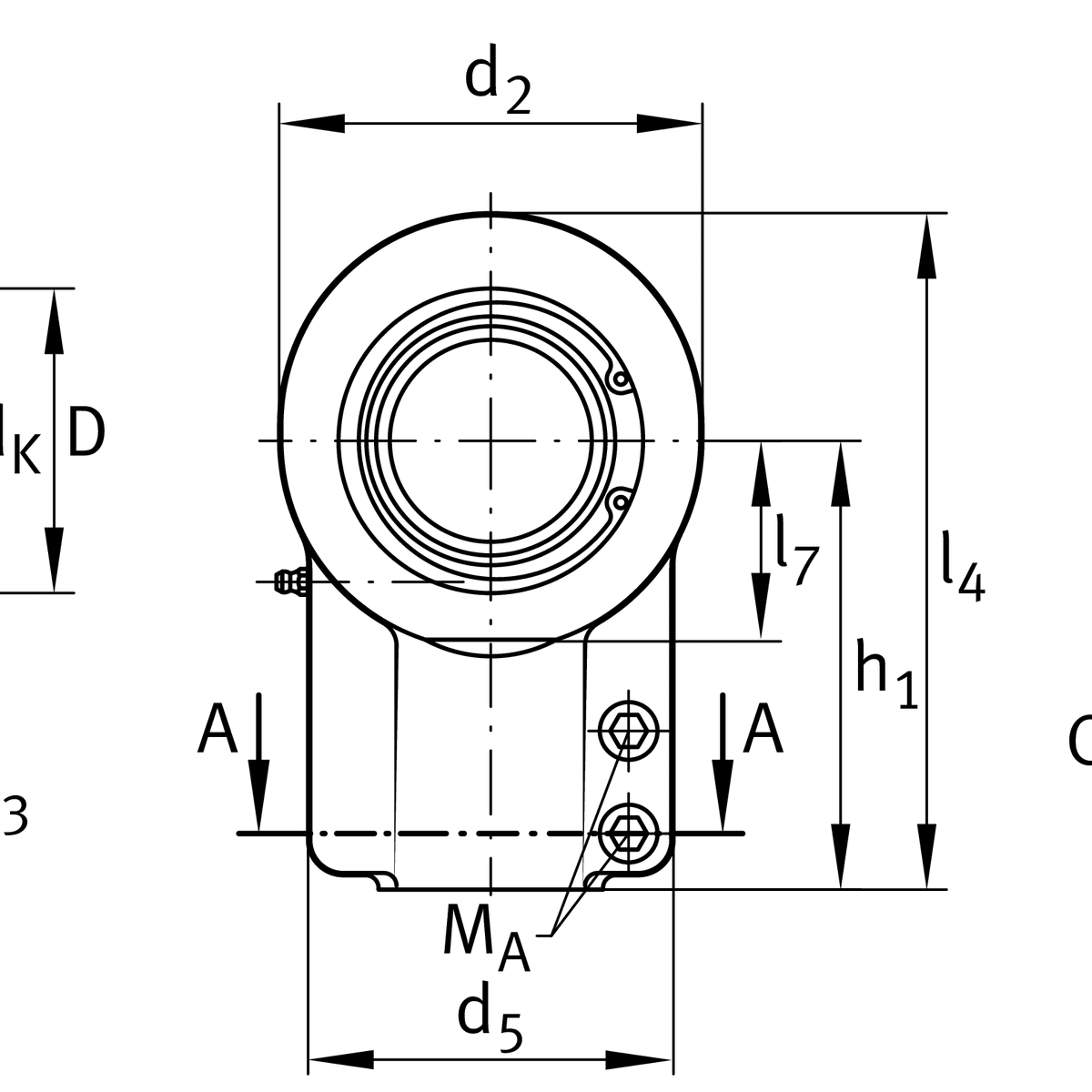
Ložisko GIHNRK50-LO-B - INA

Rozmer: 50x75x50
Externý sklad na dopyt
+
-
ks