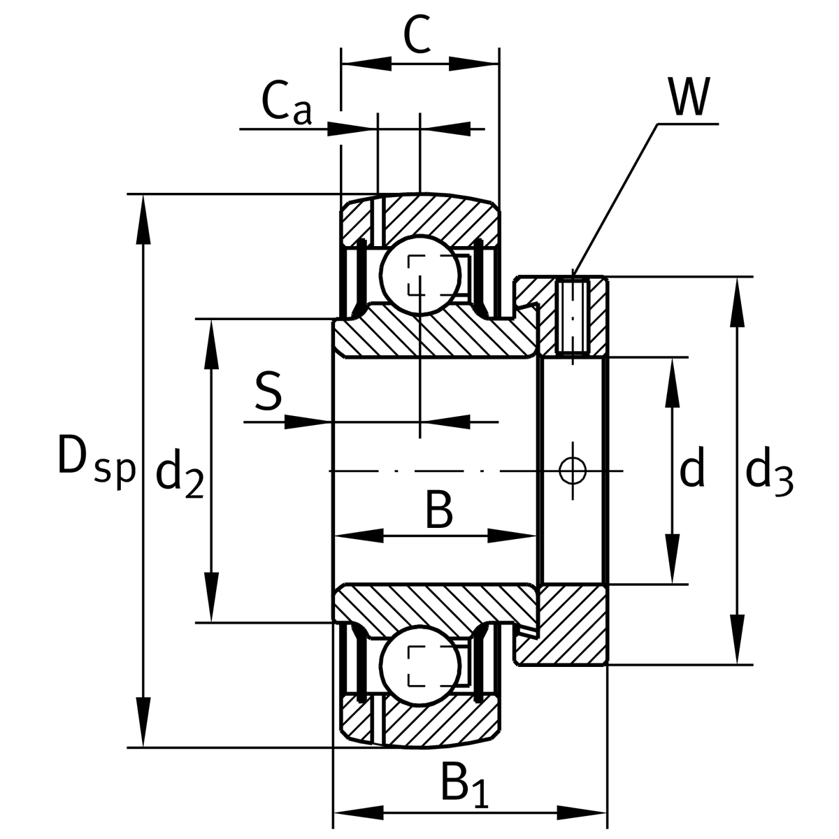
Ložisko GRAE 17 NPPB - INA (SA 203)

Rozmer: 17x40x28,6 Značka: INA
Skladom 2 ks na dopyt
+
-
ks