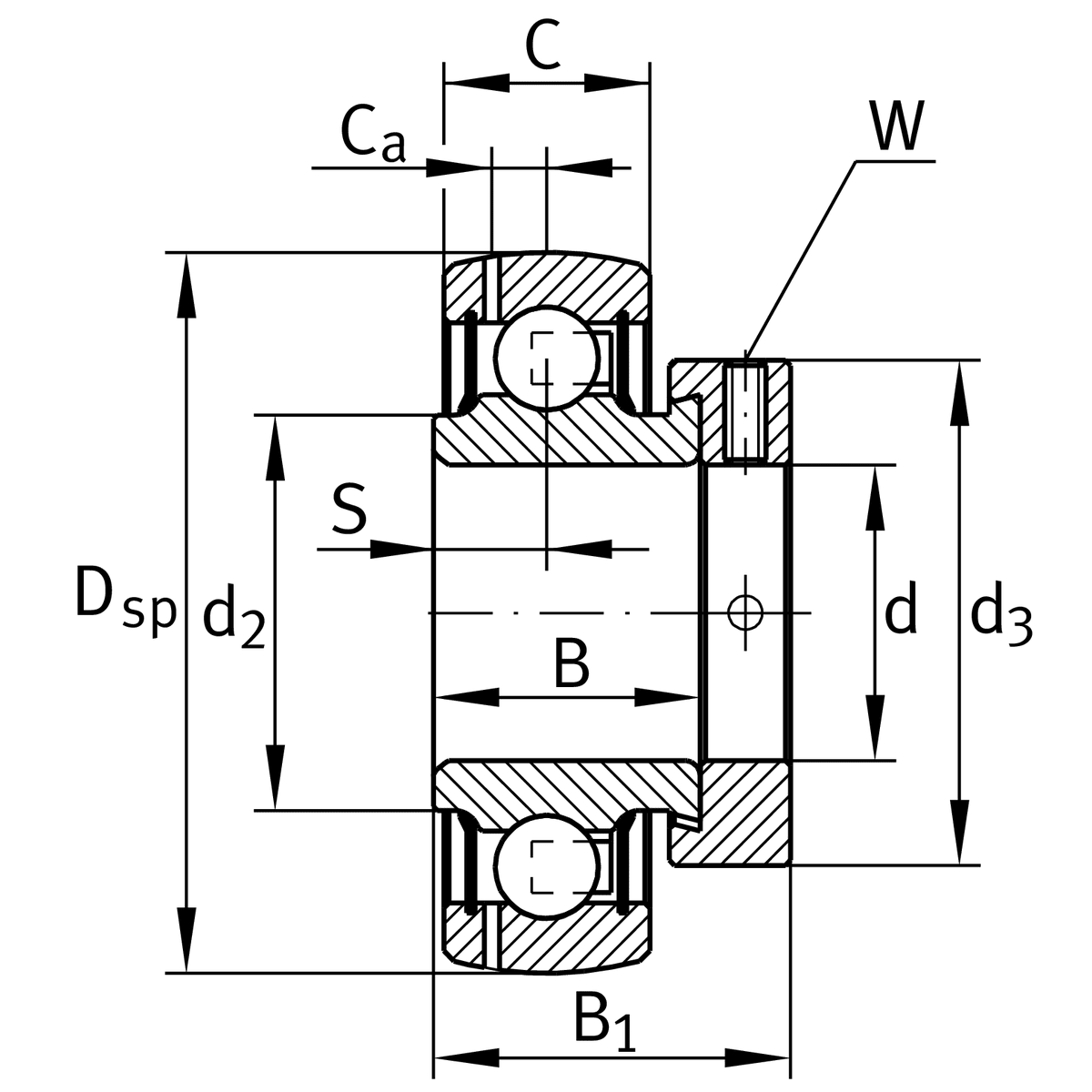
Ložisko GRAE 40 NPPB (ES208G2) - SNR

Rozmer: 40x80x43,8 Značka: SNR
Externý sklad na dopyt
+
-
ks