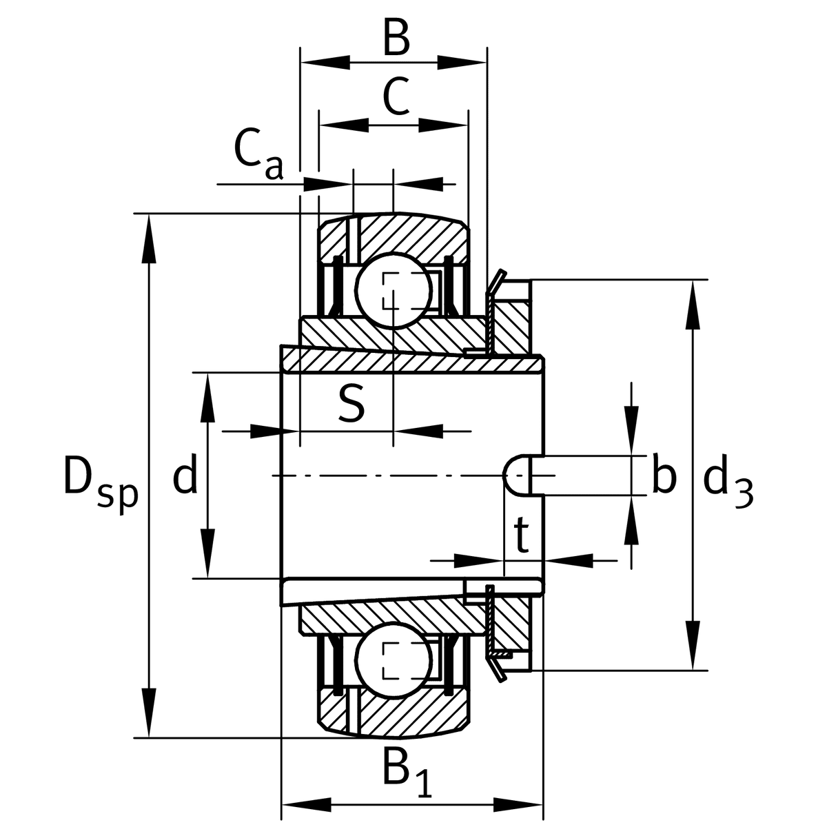
Ložisko GSH 35 2RSR-B - INA

Rozmer: 35x72x34 Značka: INA
Skladom 2 ks na dopyt
+
-
ks