Ložisko HC 17887/17831 - KOYO

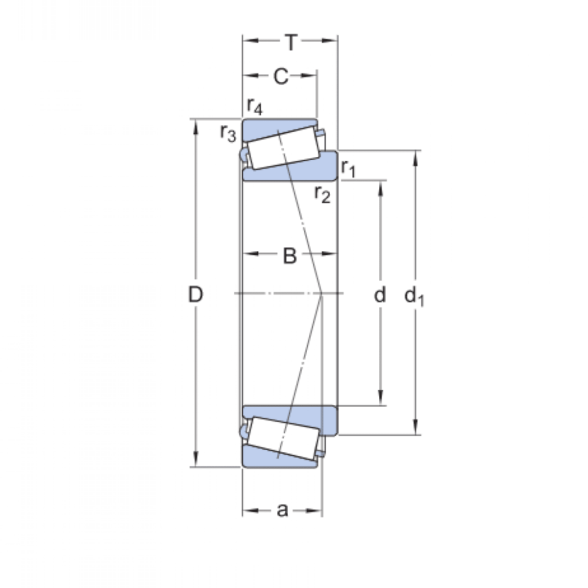
Rozmer: 45,23x79,985x19,842
Externý sklad na dopyt
+
-
ks