Ložisko HM 803146/10 - FBJ

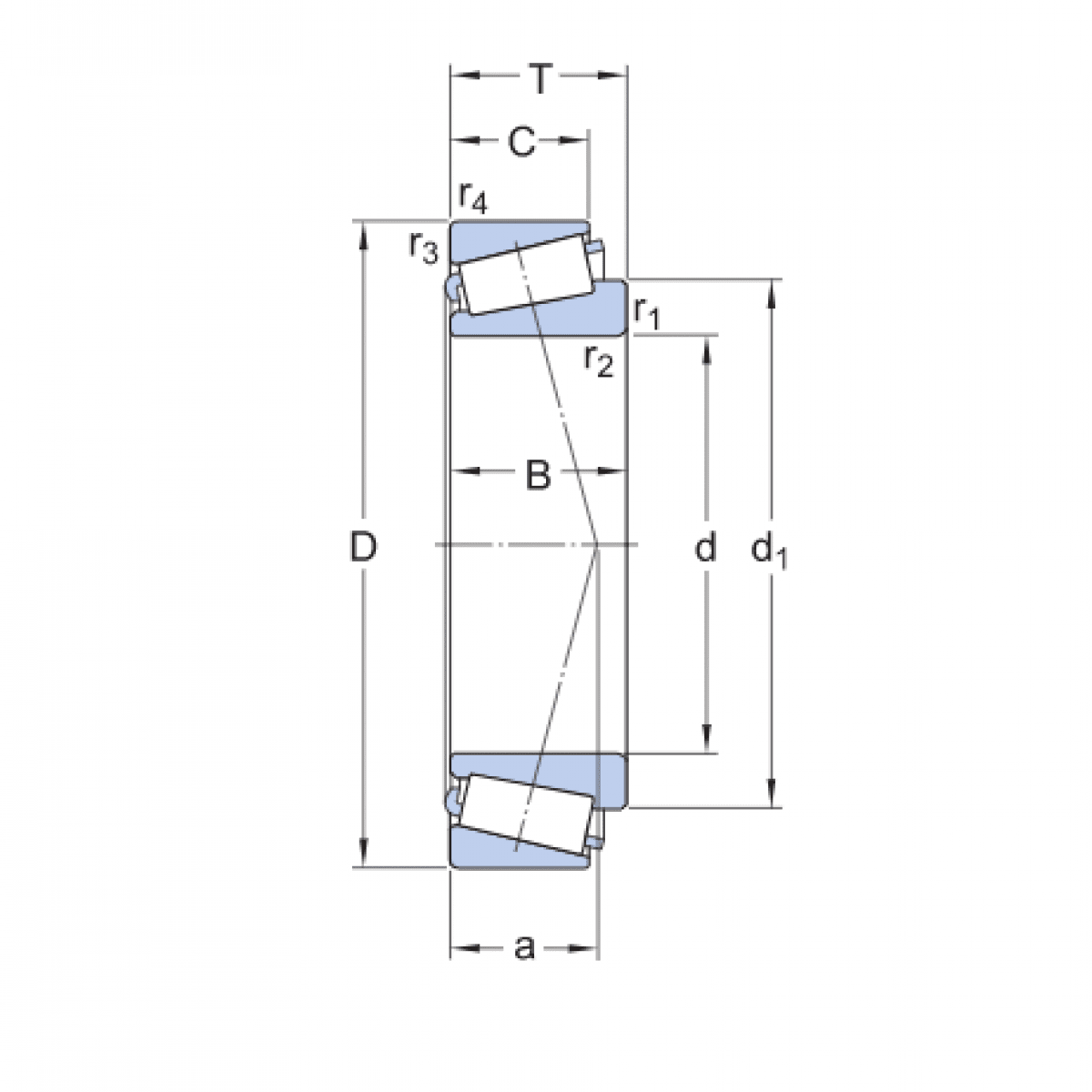
Rozmer: 41,275x88,9x29,37/23 Značka: FBJ
Externý sklad na dopyt
+
-
ks