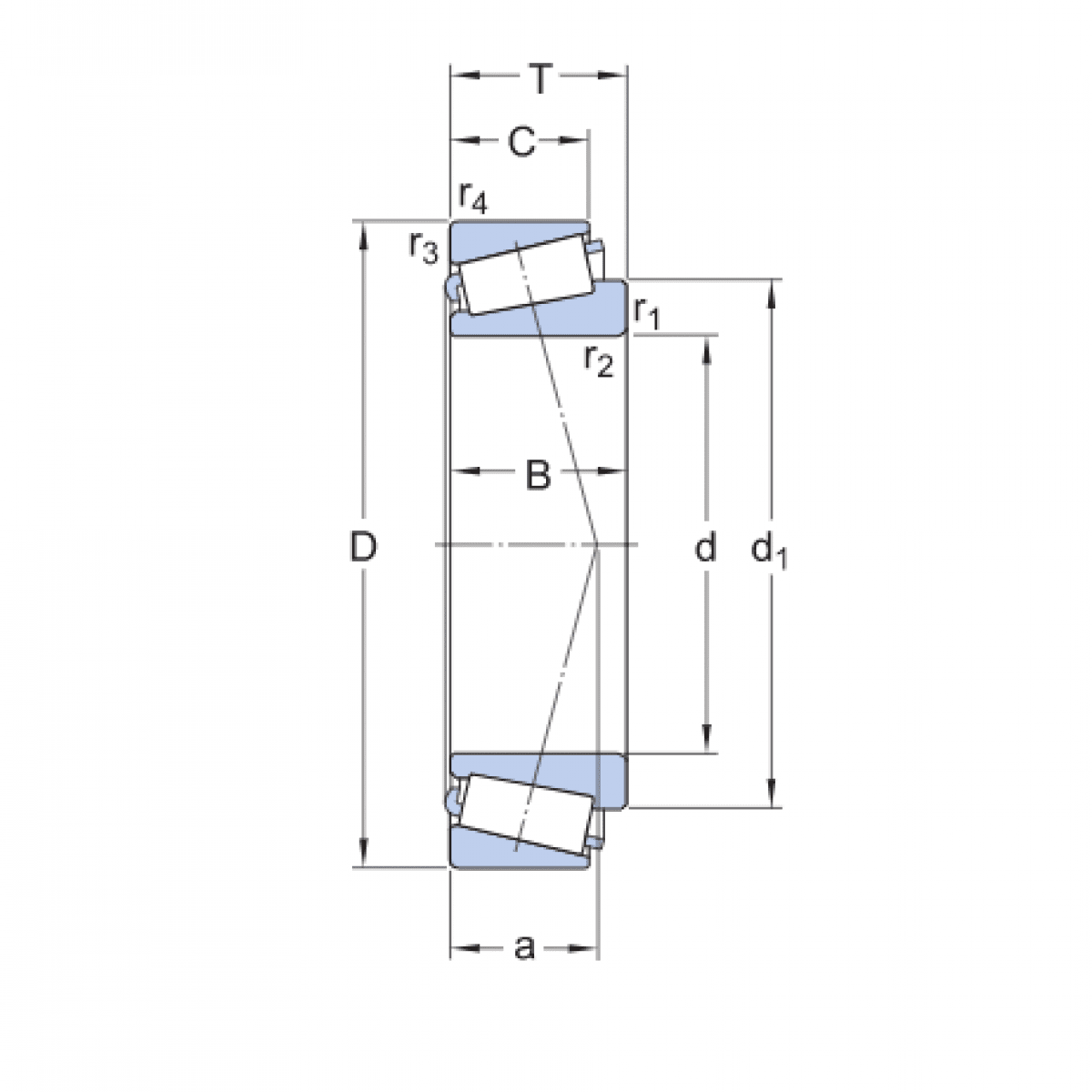
Ložisko HM 803149/10 - KOYO

Rozmer: 44,45x88,9x29,37/23,02 Značka: KOYO-TORRINGTON
Externý sklad na dopyt
+
-
ks