Ložisko HM 804840/10 - NTN

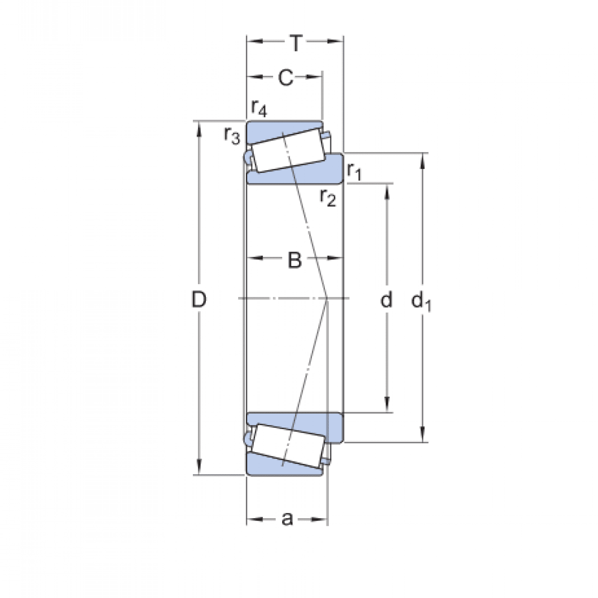
Rozmer: 41,275X95,25X30,1 Značka: NTN
Externý sklad na dopyt
+
-
ks