Ložisko HM 807040 /10 - ZKL NEW

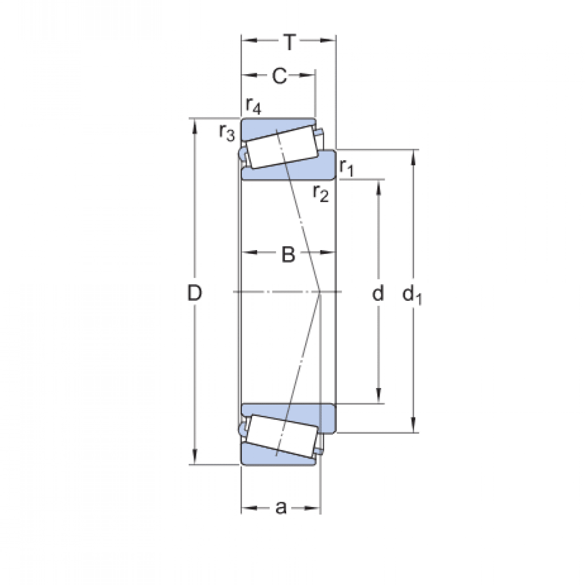
Rozmer: 44,45x104,7x36,5 Značka: ZKL
Externý sklad na dopyt
+
-
ks