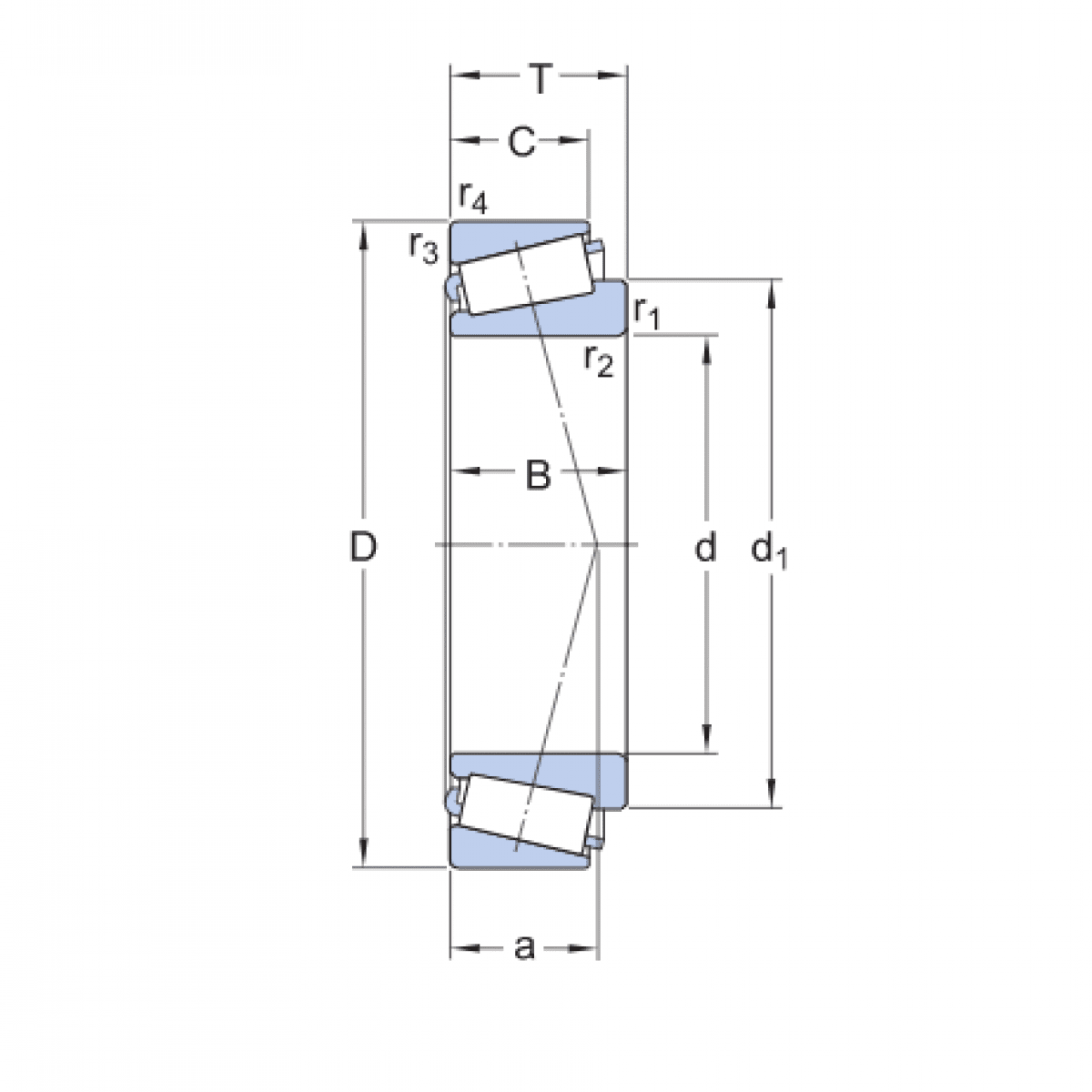
Ložisko HM 81649/610 - FERSA

Rozmer: 15,987x46,975x21 Značka: FERSA, NAF, FEBI
Externý sklad na dopyt
+
-
ks