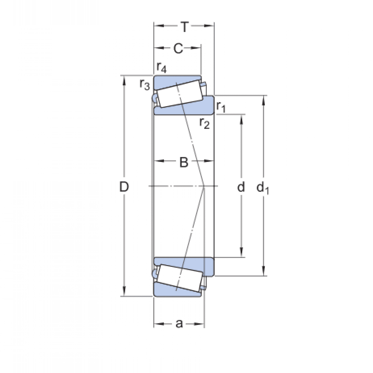
Ložisko HM 88542/10 - KOYO

Rozmer: 31,75x73,025x29,3 Značka: KOYO-TORRINGTON
Externý sklad na dopyt
+
-
ks