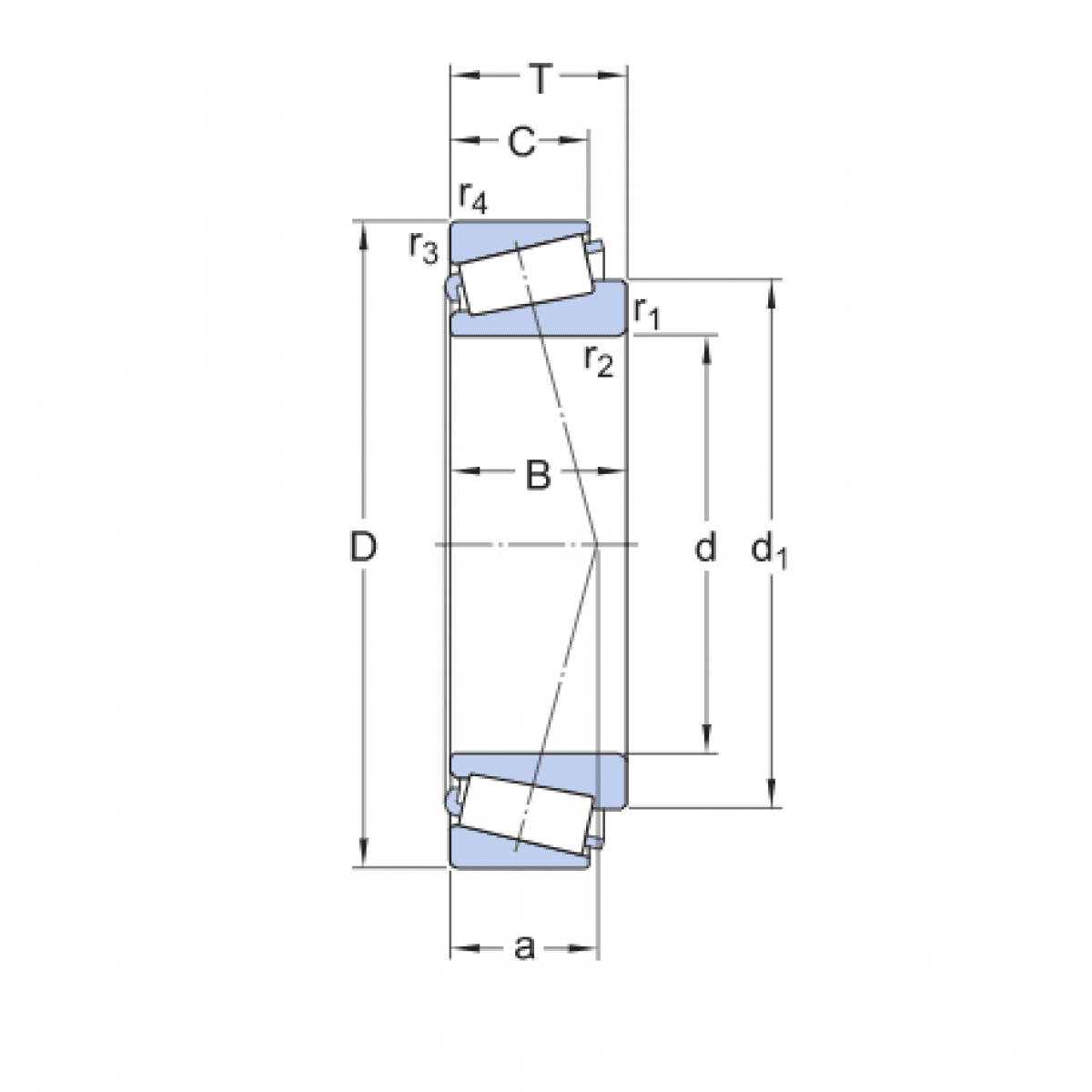
Ložisko HM 88547/10 - KOYO

Rozmer: 33,338x73,025x27,782 Značka: KOYO-TORRINGTON
Externý sklad na dopyt
+
-
ks