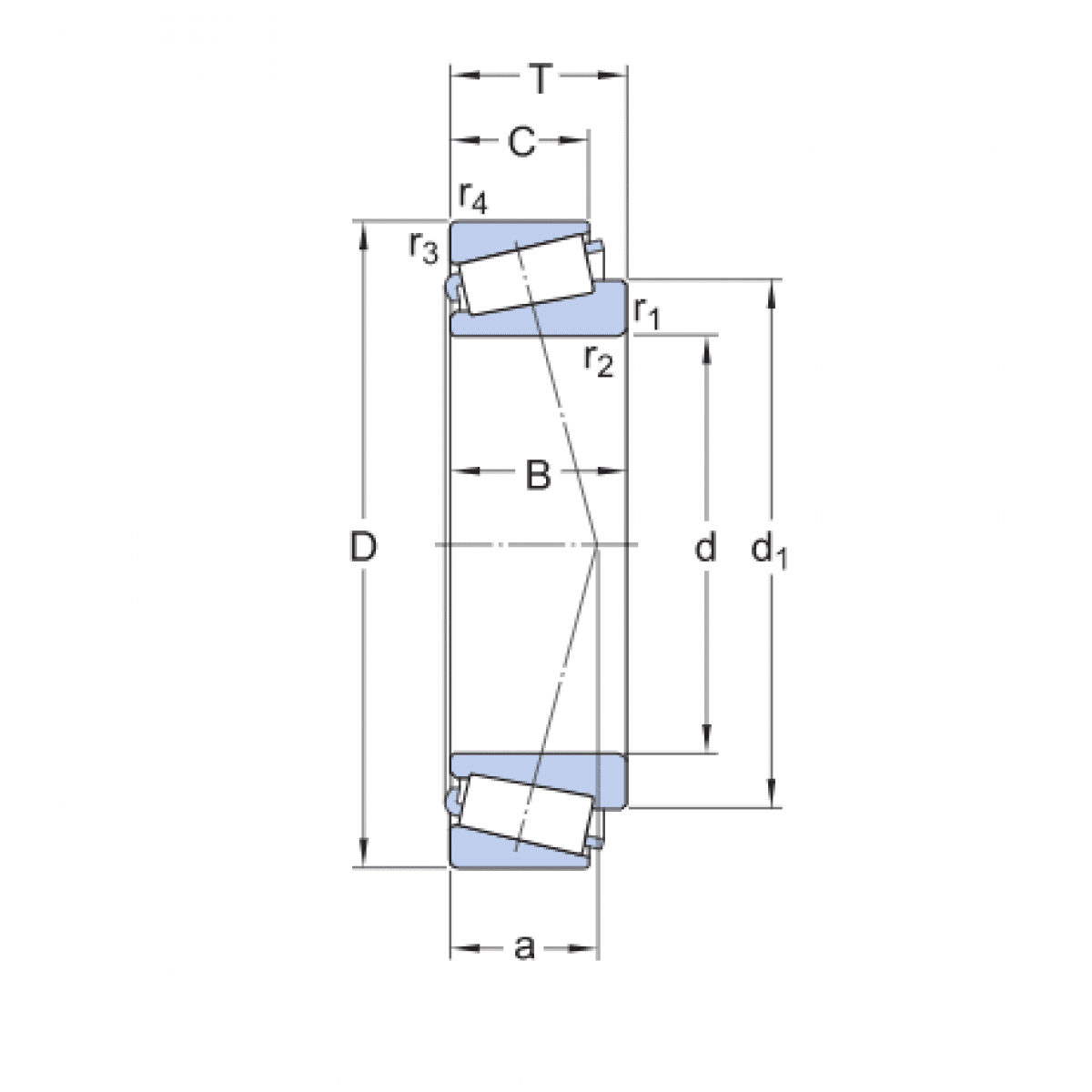
Ložisko HM 89446/89410 - KOYO

Rozmer: 34,925x76,2x29,37 Značka: KOYO-TORRINGTON
Skladom 1 ks na dopyt
+
-
ks