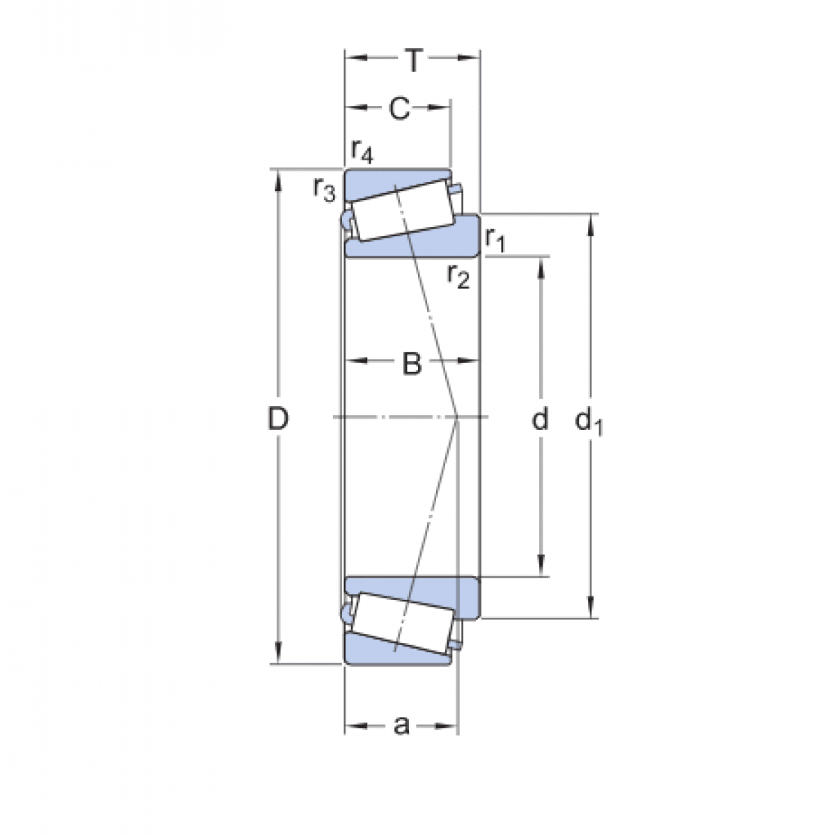
Ložisko HM 89448/10 - KOYO

Rozmer: 36,512x76,2x29,37 Značka: KOYO-TORRINGTON
Externý sklad na dopyt
+
-
ks