Ložisko HM 89449/89410 - ZKL NEW

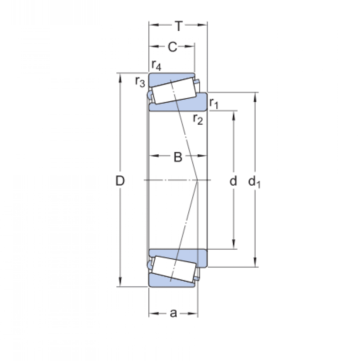
Rozmer: 36,512x76,2x29,37 Značka: ZKL
Externý sklad na dopyt
+
-
ks