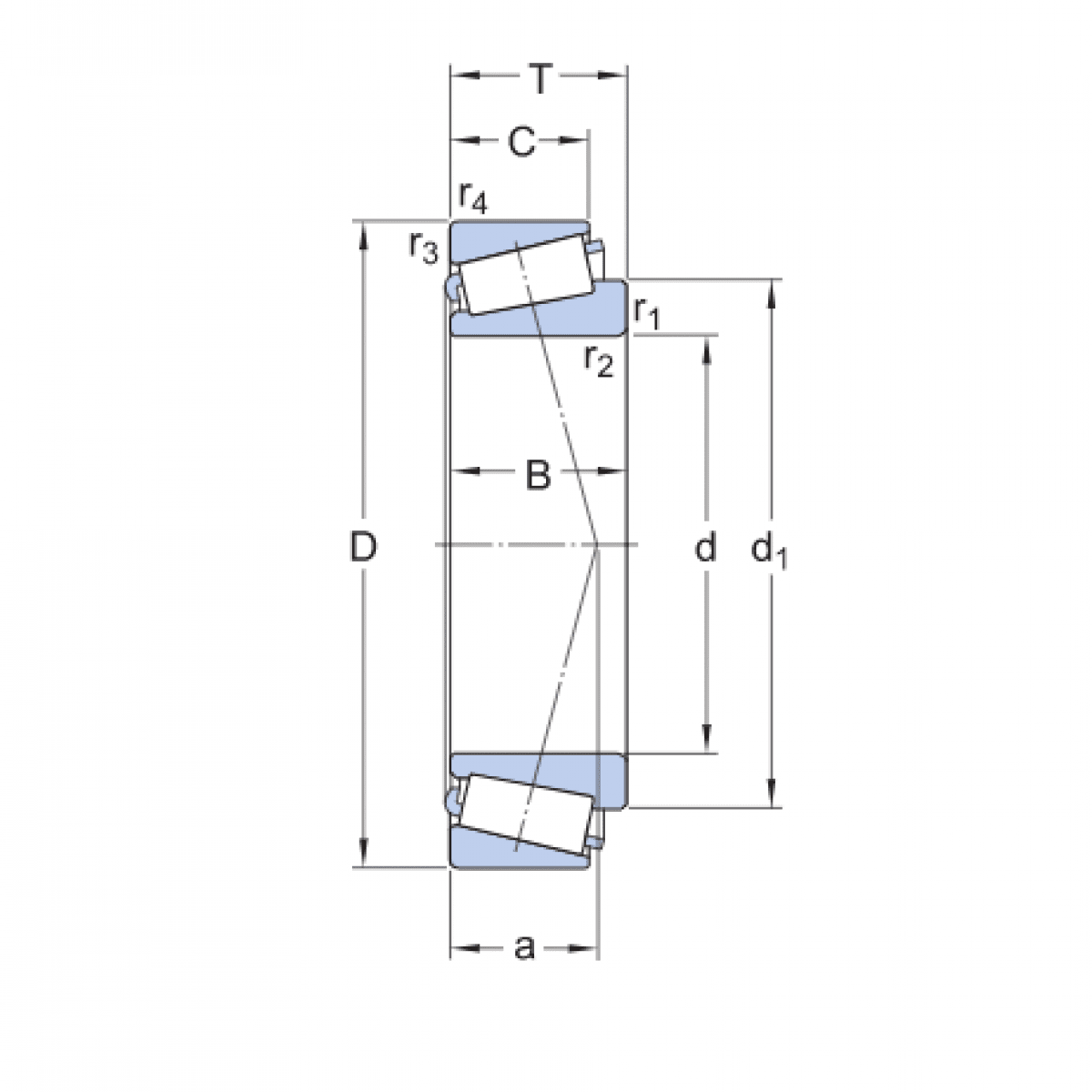
Ložisko JL69349/10 - ZKL

Rozmer: 38x63x17/13,5 Značka: ZKL
Externý sklad na dopyt
+
-
ks