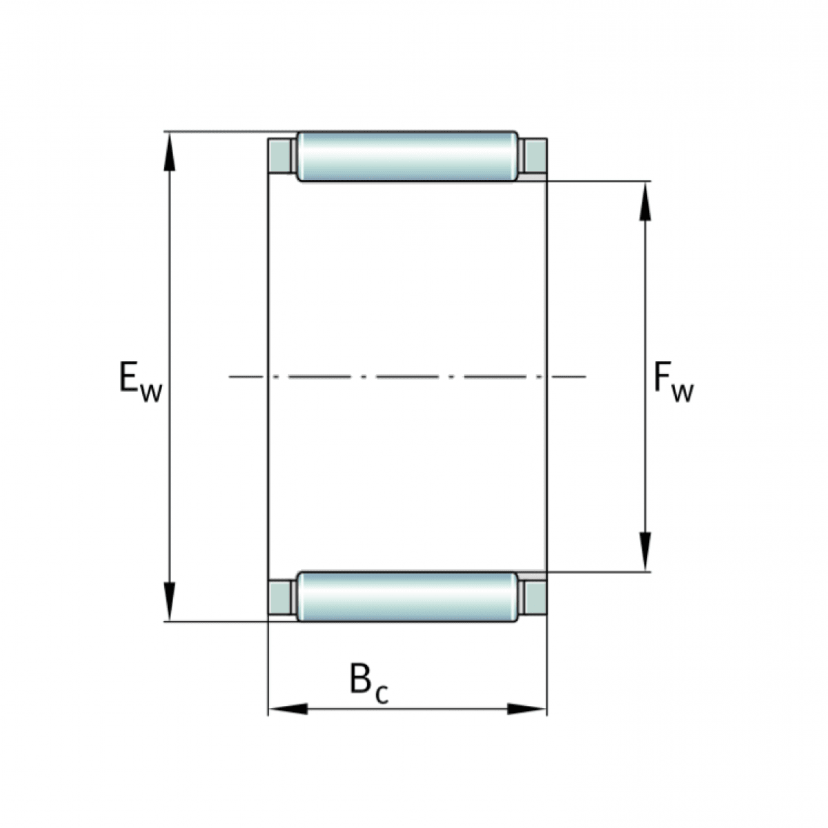
Ložisko K 28-33-13 - CX

Rozmer: 28x33x13
Externý sklad na dopyt
+
-
ks