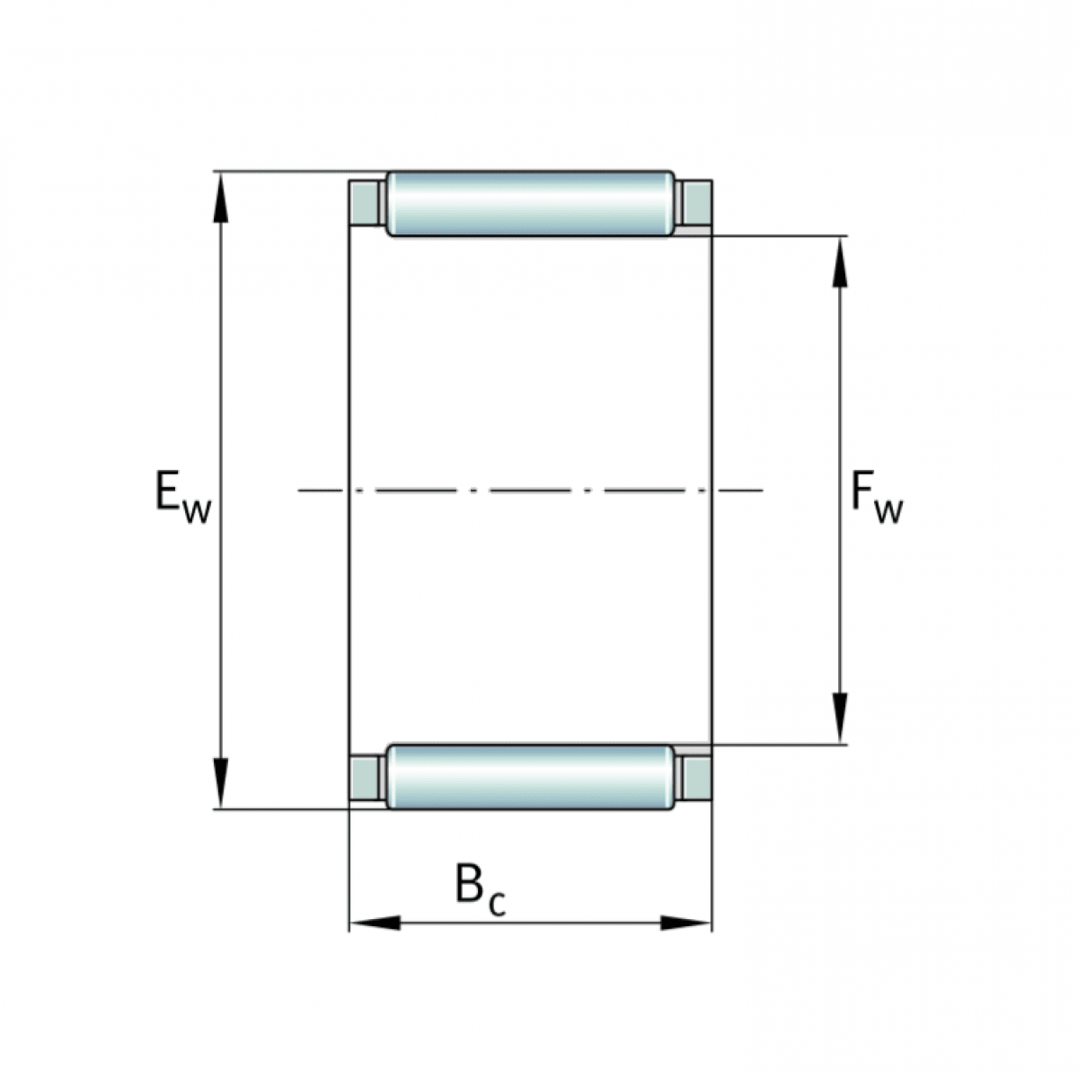
Ložisko K 42-47-13 - INA

Rozmer: 42x47x13
Externý sklad na dopyt
+
-
ks