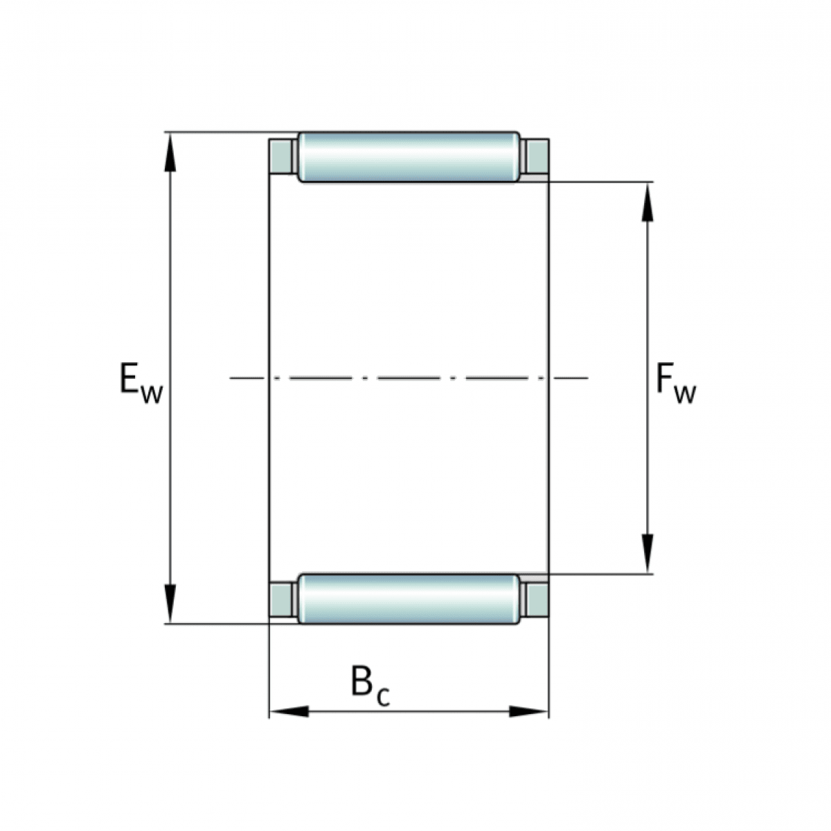
Ložisko K 52-57-17

Rozmer: 52x57x17
Skladom 5 ks na dopyt
+
-
ks