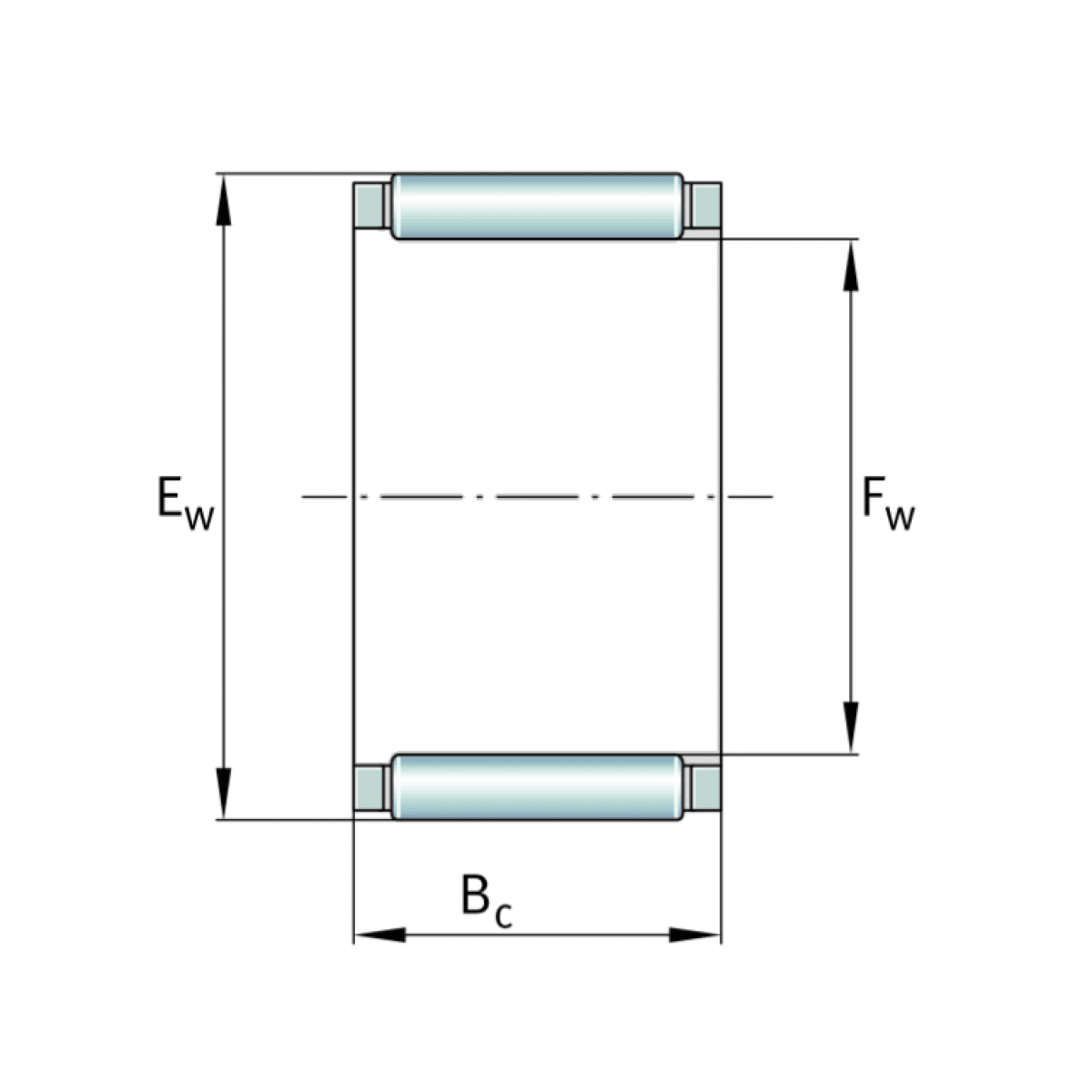
Ložisko K 55-60-30 - CX, MTM

Rozmer: 55x60x30 Značka: CX
Skladom 10 ks na dopyt
+
-
ks