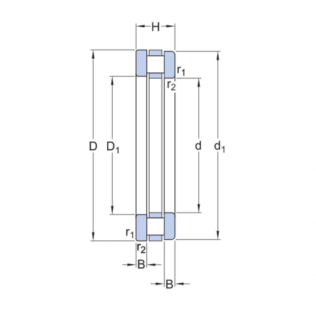
Ložisko K 81107 TV - INA

Rozmer: 35x52x5 Značka: INA
Skladom 2 ks na dopyt
+
-
ks