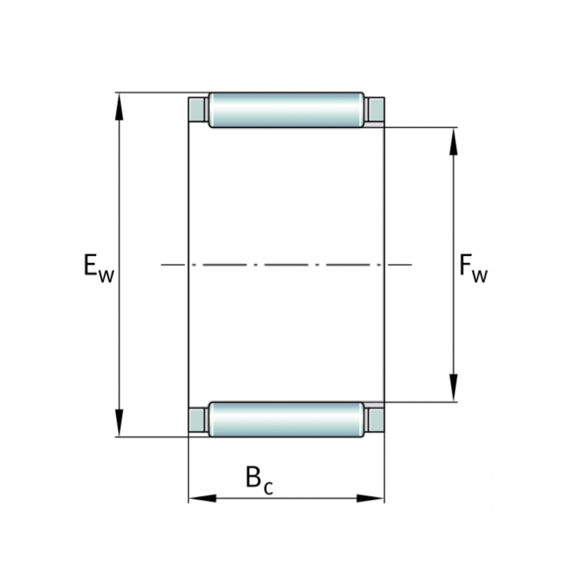
Ložisko K 85-92-48 - CRB

Rozmer: 85x92x48
Externý sklad na dopyt
+
-
ks