Ložisko KL 44643/610 - KBS,KG

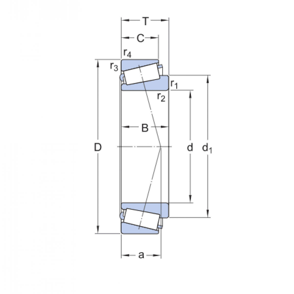
Rozmer: 25,4x50,292x14,224
Skladom 5 ks na dopyt
+
-
ks