Ložisko KL45449/10 - KOYO

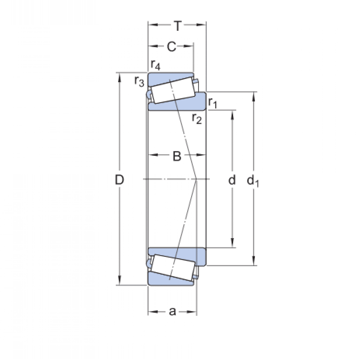
Rozmer: 29x50,292x14,732/10,66
Skladom 2 ks na dopyt
+
-
ks