Ložisko KL45449/10 - NTN

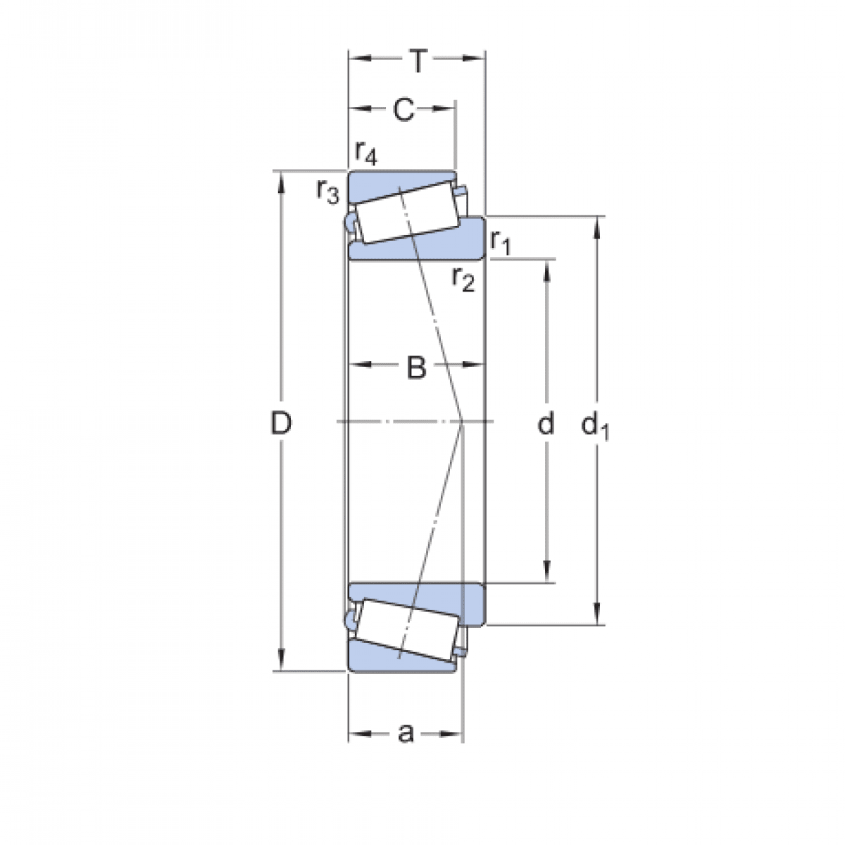
Rozmer: 29x50,292x14,732/10,66 Značka: NTN
Externý sklad na dopyt
+
-
ks