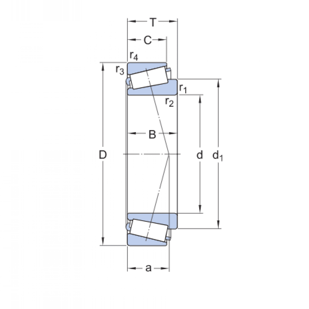
Ložisko KL69349/10 - CX

Rozmer: 38x63x17/13,5
Externý sklad na dopyt
+
-
ks