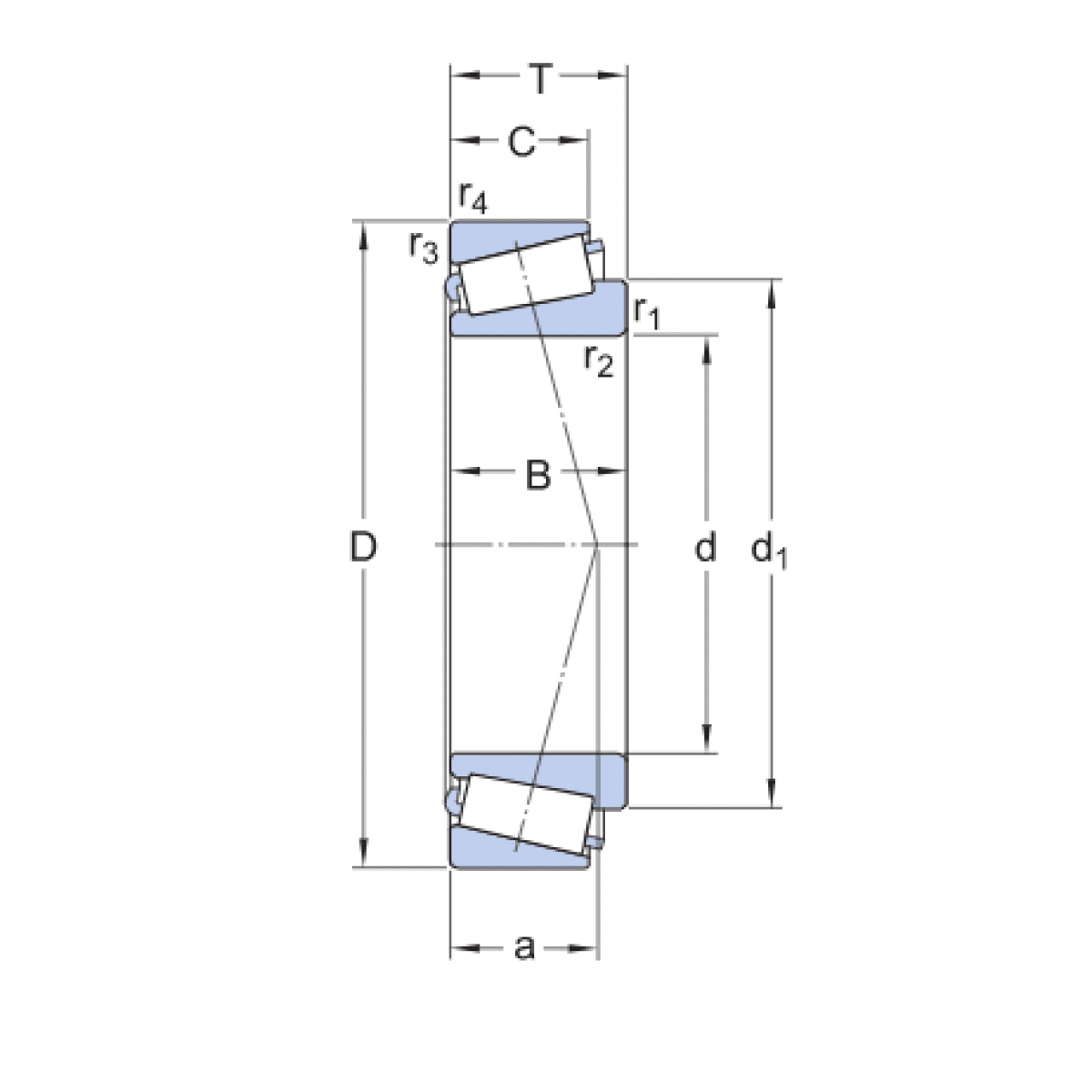
Ložisko KLM 11749/10 - KBS

Rozmer: 17,462x39,878x14,605 Značka: KBS, KBC
Externý sklad na dopyt
+
-
ks