Ložisko KLM 11749/10 - KOYO

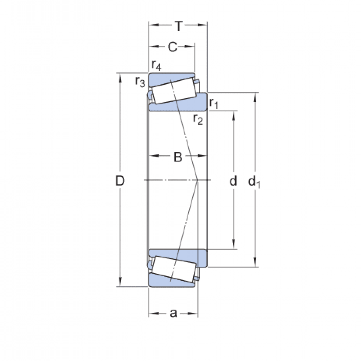
Rozmer: 17,5x39,9x14,6 Značka: KOYO-TORRINGTON
Skladom 3 ks na dopyt
+
-
ks