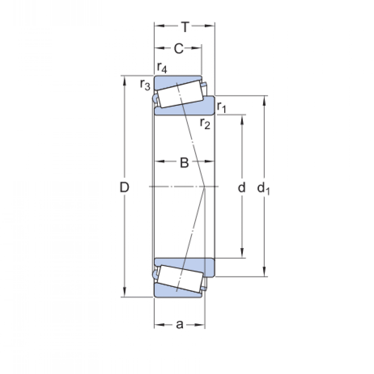
Ložisko KLM 11949/ 11910 - CX

Rozmer: 19,05x45,237x16,637 Značka: CX
Externý sklad na dopyt
+
-
ks