Ložisko KLM 501349/10 - KOYO

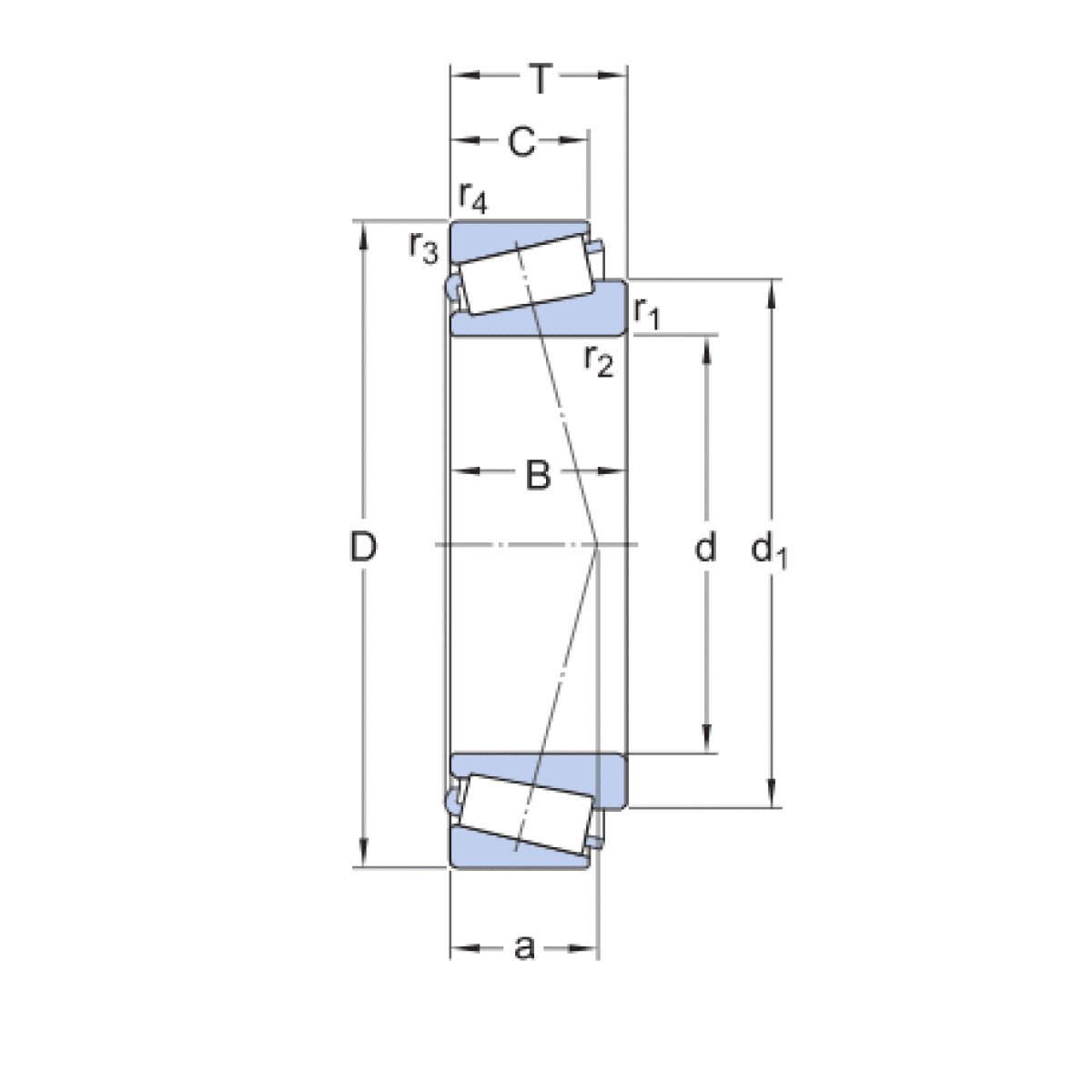
Rozmer: 41,275x73,431x19,558 Značka: KOYO-TORRINGTON
Externý sklad na dopyt
+
-
ks