Ložisko KLM 501349/14 - NTN

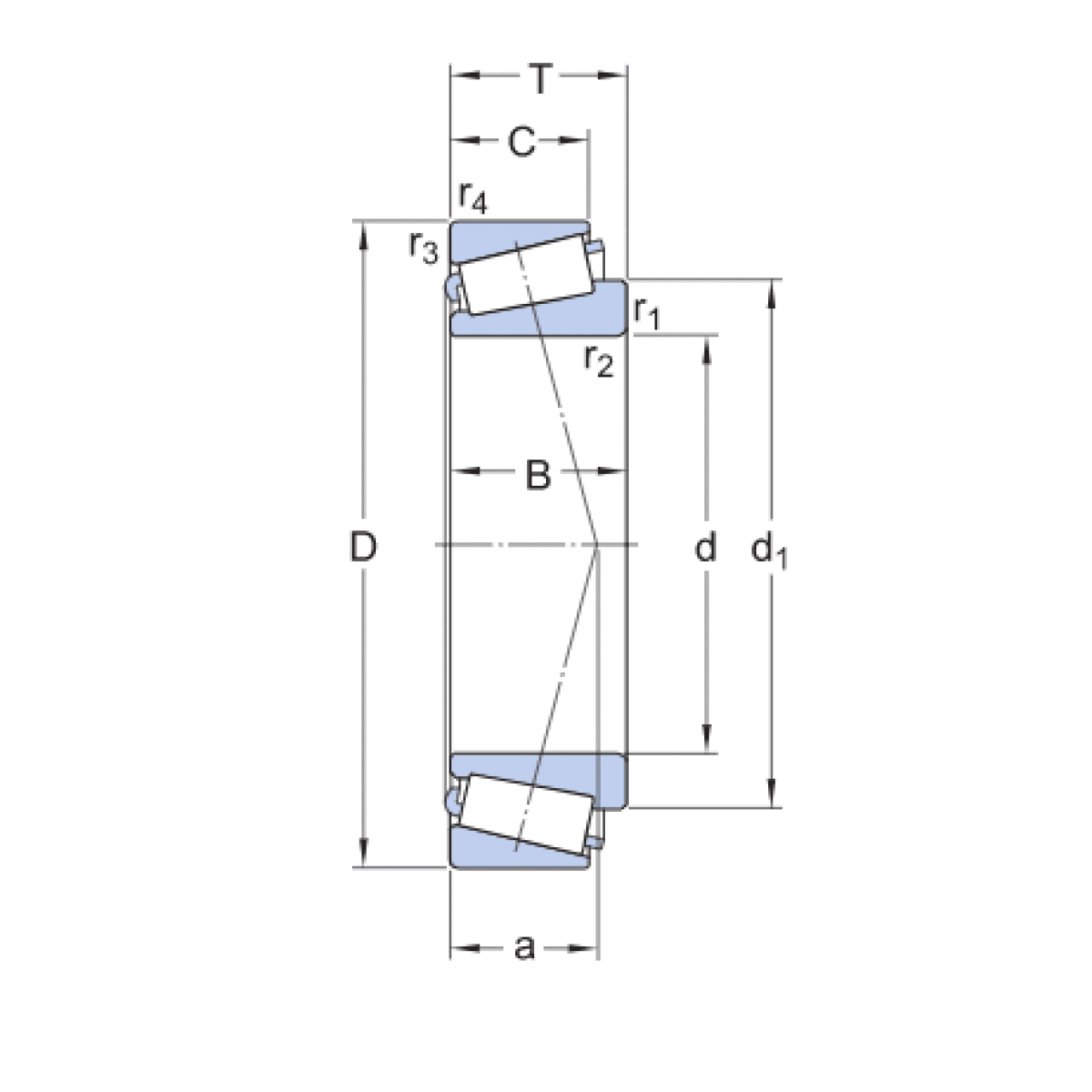
Rozmer: 41,275x73,431x21,430 Značka: NTN
Externý sklad na dopyt
+
-
ks