Ložisko KLM 603049/12 - ZKL NEW

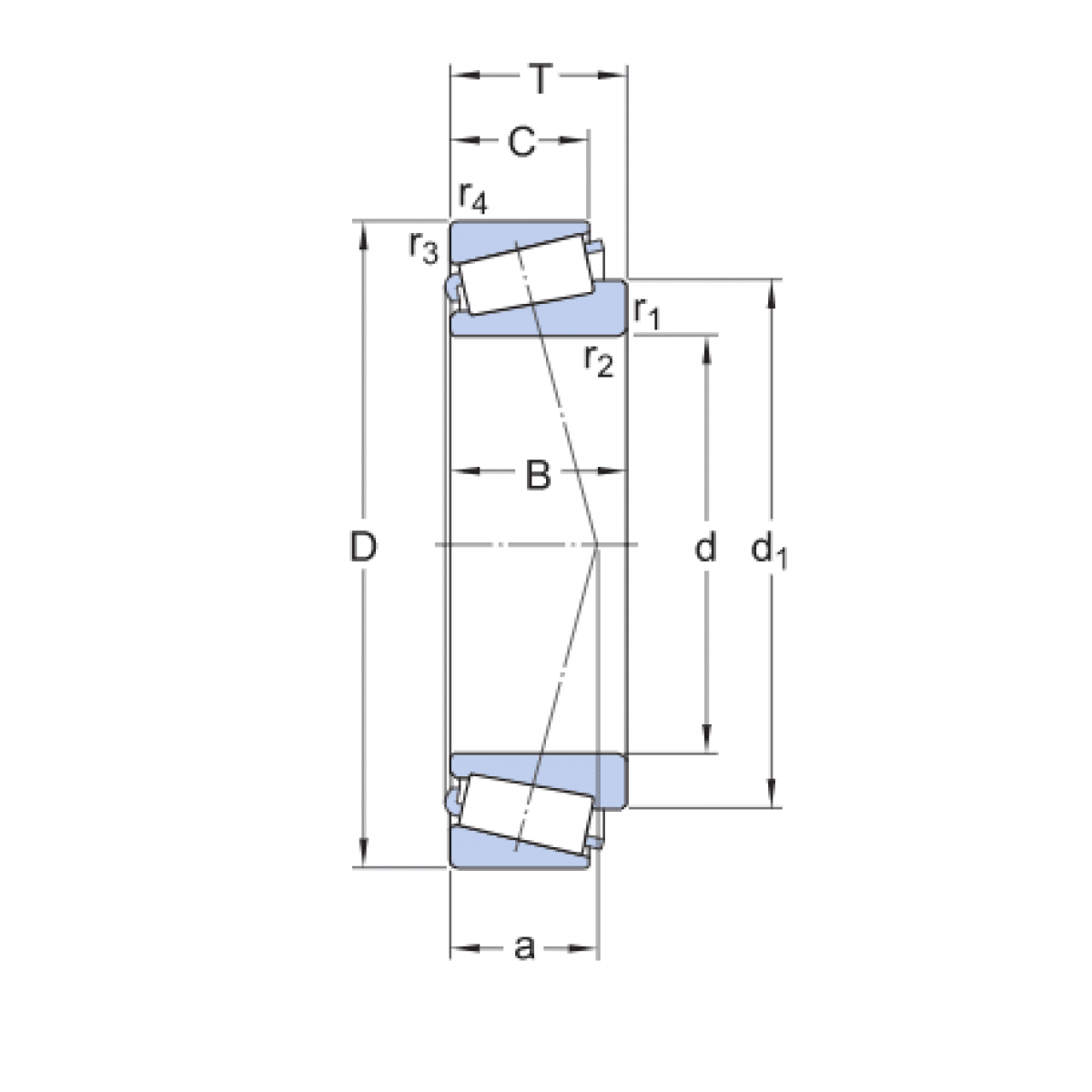
Rozmer: 45,242x77,788x21,43 Značka: ZKL
Externý sklad na dopyt
+
-
ks