Ložisko KLM 67048/10 - TIMKEN

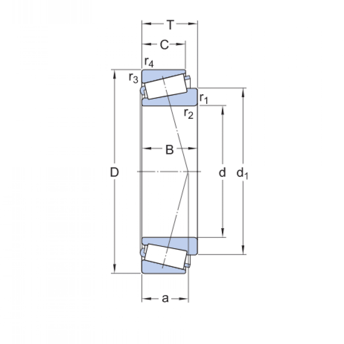
Rozmer: 31,75x59,131x15,875 Značka: TIMKEN
Externý sklad na dopyt
+
-
ks