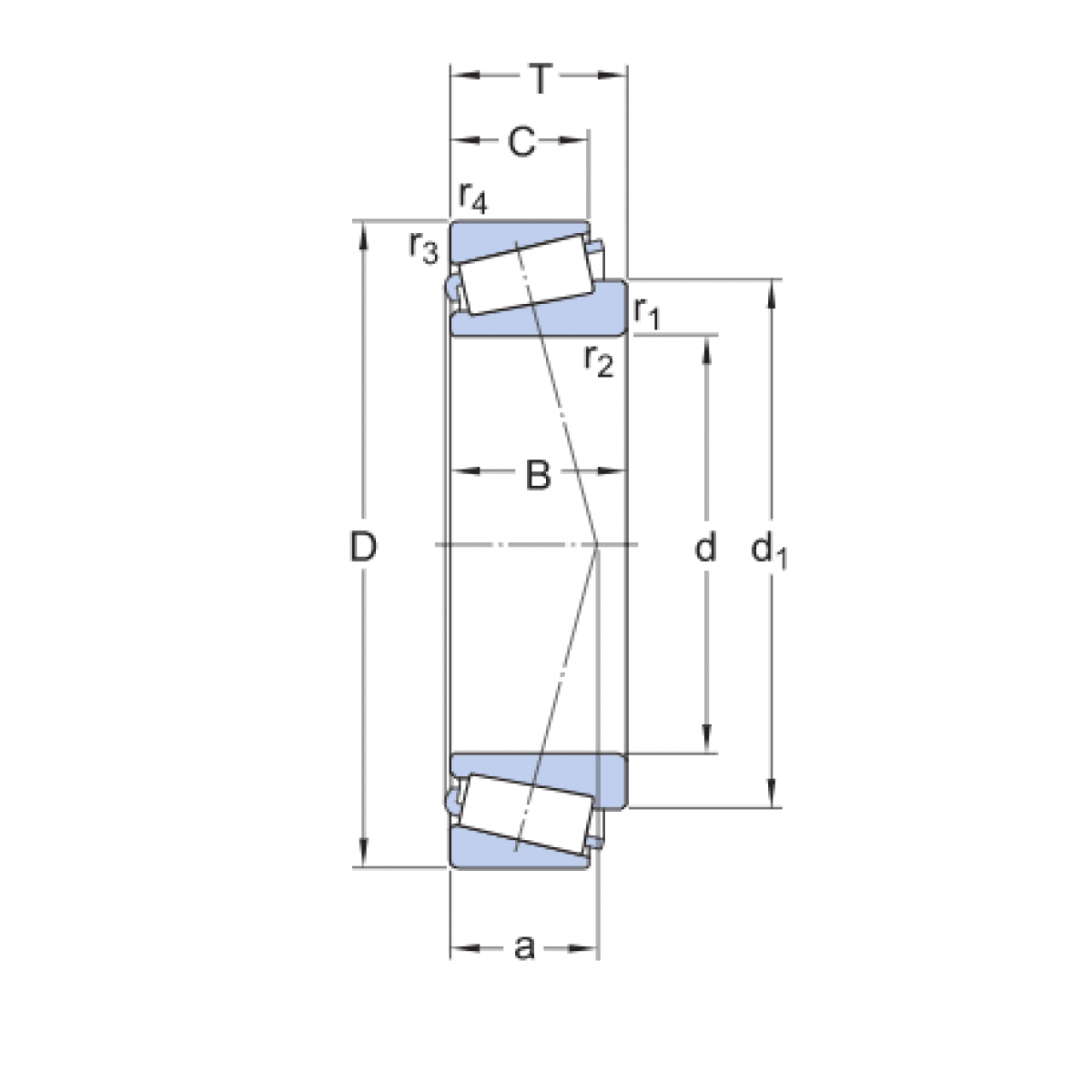
Ložisko KLM 84548/10 - KOYO

Rozmer: 25,4x57,15x19,432 Značka: KOYO-TORRINGTON
Skladom 1 ks na dopyt
+
-
ks