Ložisko KLM 86649 - CX

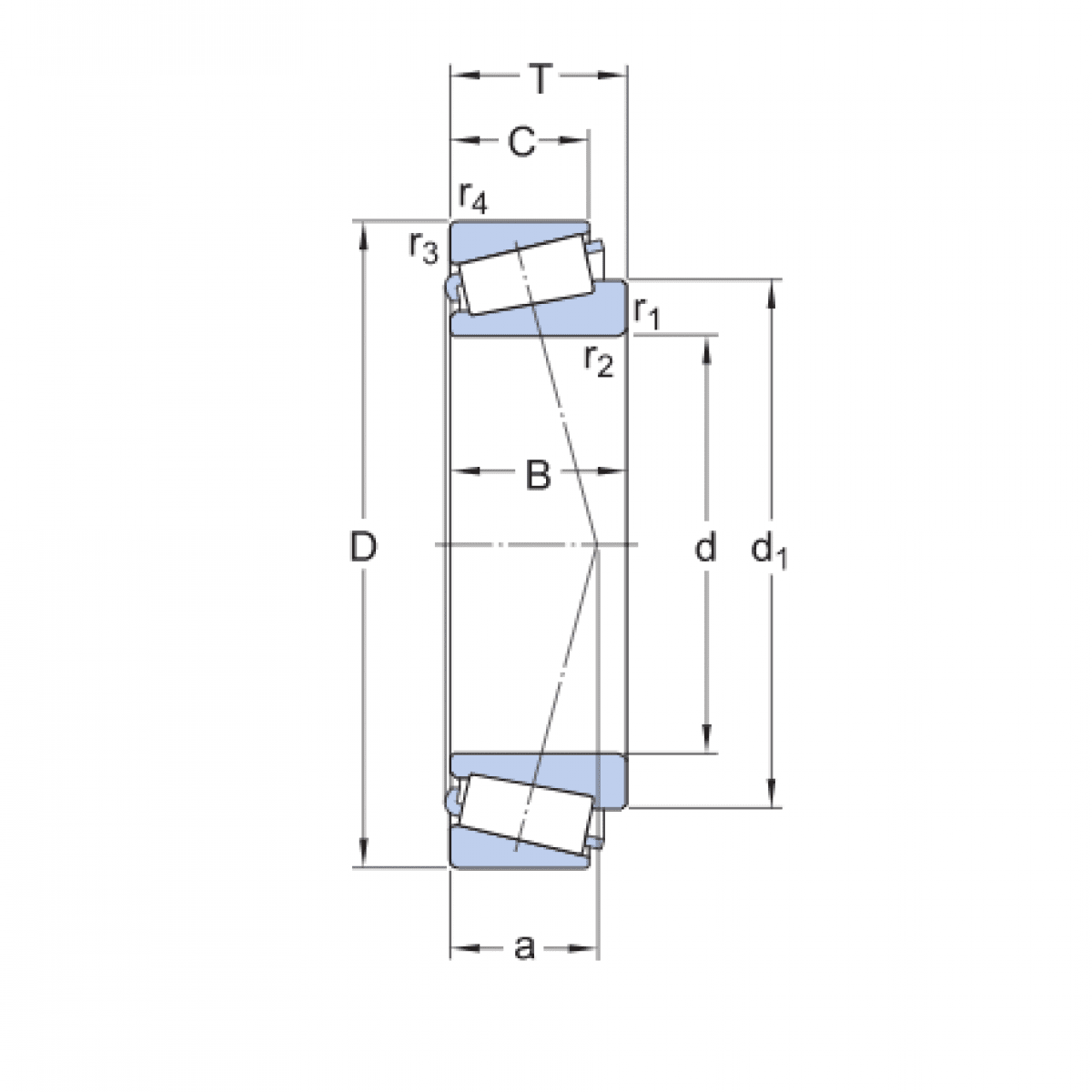
Rozmer: 30,16x64,292x21,432 Značka: CX
Externý sklad na dopyt
+
-
ks