Ložisko KLM 86649/10 - FBJ

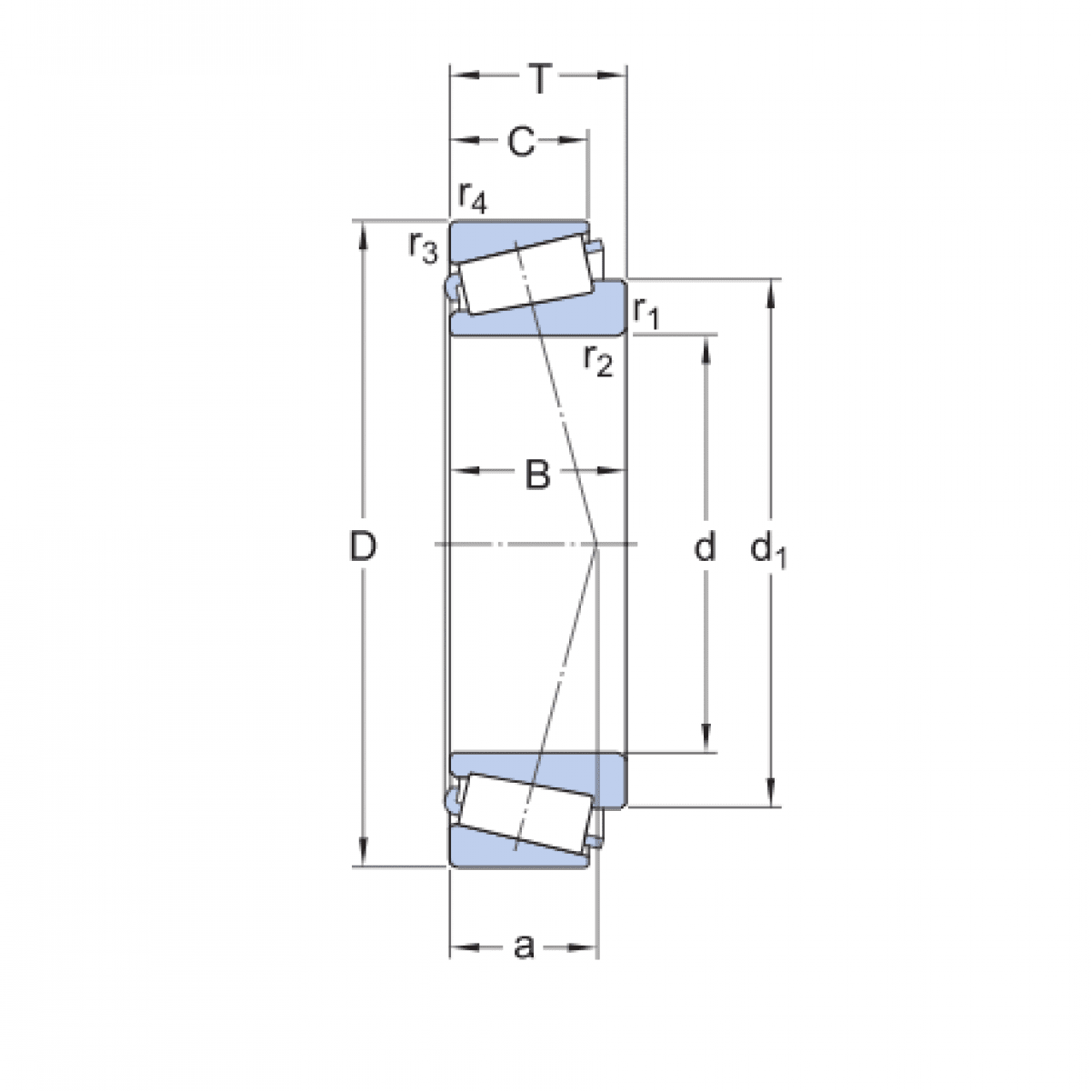
Rozmer: 30,162x64,292x21,44 Značka: FBJ
Externý sklad na dopyt
+
-
ks