Ložisko KLM 86649R/10 - KOYO

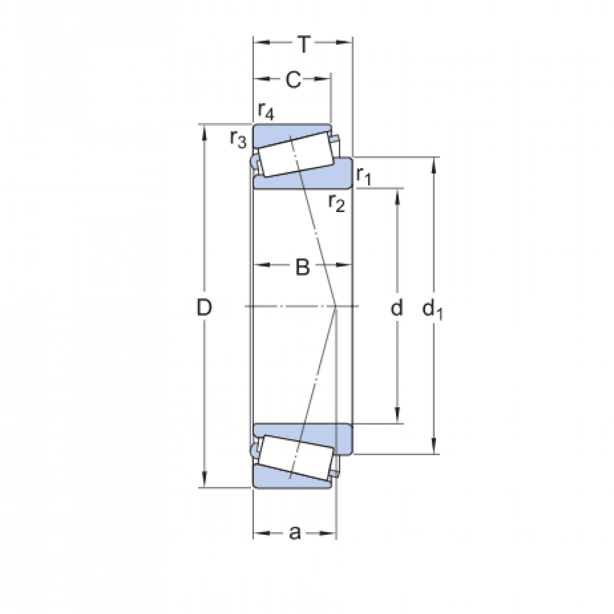
Rozmer: 30,162x64,292x21,44 Značka: KOYO-TORRINGTON
Skladom 3 ks na dopyt
+
-
ks