Ložisko L 44600LA/10 - FBJ

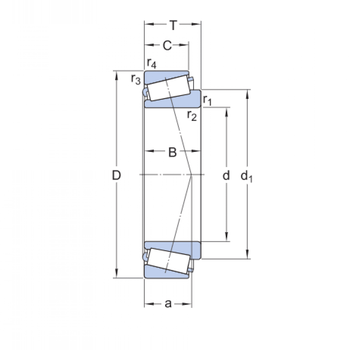
Rozmer: 25,4x50,292x14,224/10,66 Značka: FBJ
Externý sklad na dopyt
+
-
ks