Ložisko L 44643/610/ / KLF-ZVL

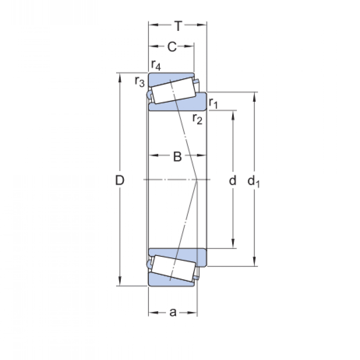
Rozmer: 25,4x50,292x14,732/ Značka: ZVL
Externý sklad na dopyt
+
-
ks